Principe
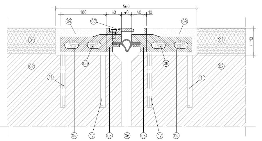
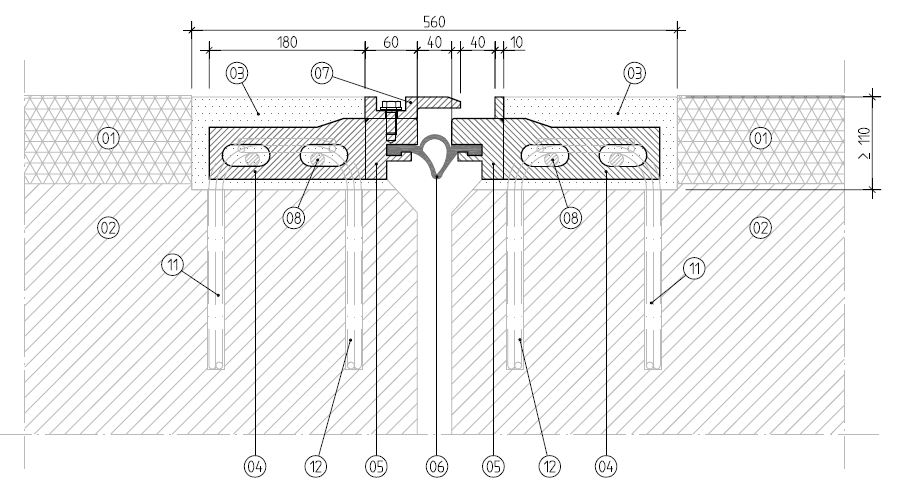
Bij bestaande betonnen kunstwerken is vaak niet voldoende inbouwruimte aanwezig voor een verankering met een nieuwbouwmodel (concept 1.2a) omdat bij de aanleg vaak niet is voorzien in een voldoende grote sparing. Hiervoor is een slanke “renovatieoplossing” ontwikkeld die in de NBD00400 als referentieontwerp is opgenomen. In de basis bestaat deze uit een randprofiel met daaraan vastgelaste schetsplaten, h.o.h. circa 200 mm. In deze schetsplaten zijn sparingen voorzien ten behoeve van het doorvoeren van langswapening 2⍉16. Ingelijmde stekwapening ⍉12 of ⍉16 wordt over deze langswapening aangebracht. De voegbalken zijn gemaakt van staalvezelbeton. Het renovatiemodel wordt na het asfalteren aangebracht. Daarmee is een goede verdichting van het asfalt en een optimale hoogteligging (bij voldoende dwarsvlakheid van het asfalt) gewaarborgd.
Aansluiting
Het renovatiemodel is ontworpen om te worden toegepast in betonnen kunstwerken. Toepassing is tevens mogelijk in stalen bruggen met een betonnen rijvloer of die worden voorzien van een hogesterktebeton (HSB) overlaging.
Varianten
Op het standaarddetail zijn diverse varianten ontwikkeld die hier verder worden toegelicht
Achterstrip
Aanvullend kan ook een achterstrip worden opgenomen, waardoor in principe een rijrooster ontstaat. Daarmee wordt bij spoorvorming van het asfalt afbrokkeling van voegbalken voorkomen. In plaats van stekwapening ⍉16 kan ook 2⍉12 toegepast worden. De onderstrip onder het klauwprofiel kan verschoven worden richting de voegspleet zodat de lassen niet op afschuiving worden belast en het randprofiel beter ondersteund wordt.

Geluidsreductie door sinusplaten
Er bestaan ook renovatiemodellen met geluidreducerende sinusplaten. Er zijn diverse modellen toegepast. Zie onderstaand overzicht.
Zowel de wijze waarop de sinusplaat is gefixeerd als de onderliggende verankering varieert per product.
Hechtlaag
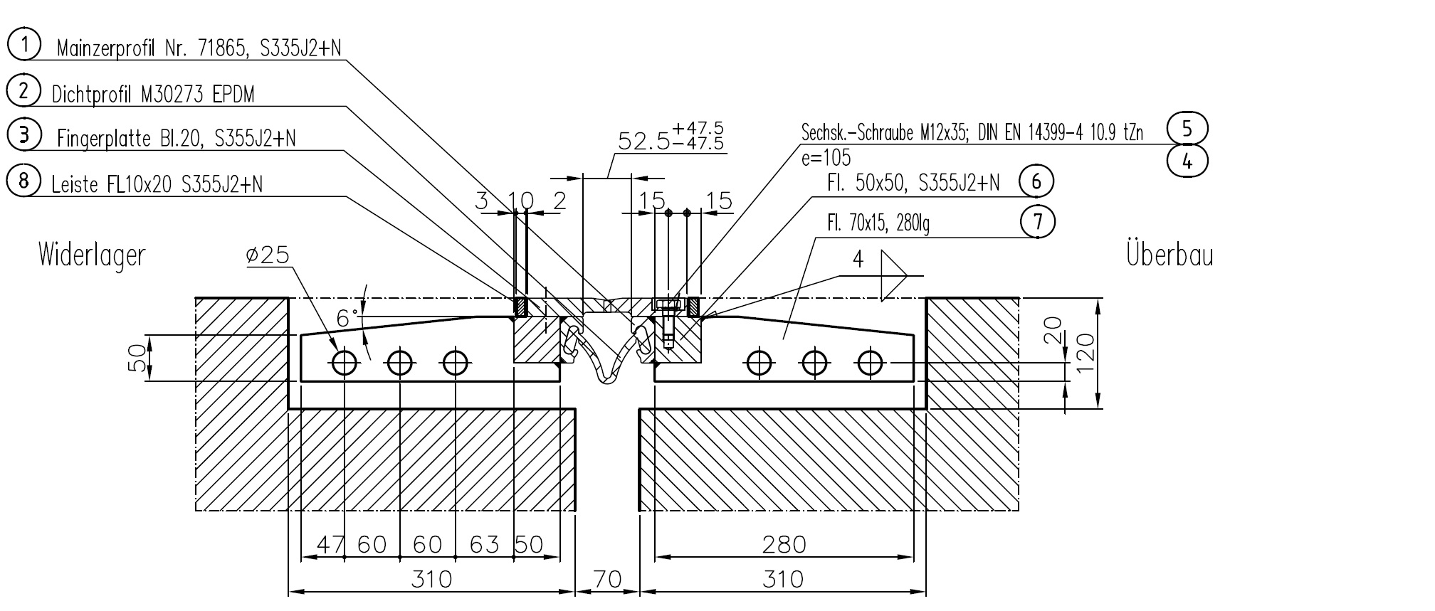
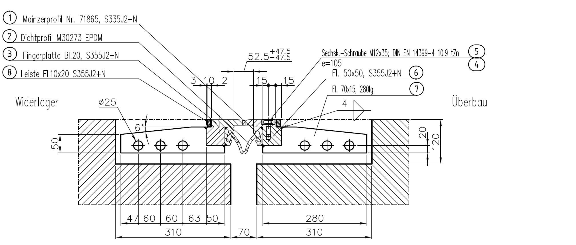
De belasting op het randprofiel wordt afgedragen op aan de achterzijde van het randprofiel vastgelaste schetsplaten. Deze schotten dragen de belasting over aan de voegbalk waar ze zijn ingebetonneerd. Bij deze belastingoverdracht ontstaan schuifspanningen in het grensvlak tussen schetsplaat en beton. Om deze te kunnen opnemen is het noodzakelijk dat er voldoende aanhechting aanwezig is. De conservering van het staalwerk mag de aanhechting niet beïnvloeden. Bij thermisch verzinkt staal is de aanhechting voldoende, mits het zink voldoende is gepassiveerd. Bij toepassing van verfsystemen zal meer nodig zijn om de aanhechting te kunnen garanderen.
De aanwezige langswapening is een extra zekerheid in geval dat de aanhechting zou falen, bij voorbeeld door optredende krimpnaden en vermoeiing. De langswapening gaat dan werken als een deuvel, maar alleen als de ruimte tussen langswapening en de gaten in de schetsplaten volledig gevuld zijn met staalvezelbeton. Alleen met de juiste detaillering en een goede gietmortel en verdichting is dit te realiseren. Sommige leveranciers voorzien de binnenzijde van het rijrooster daarom van een ingestrooide epoylaag om de aanhechting en schuifweerstand te verhogen.

Krachtafdracht
Aan de voorzijde wordt de belasting overgedragen op de ondergrond, waarbij zich krachtsconcentraties onder de schetsplaten bevinden (zie figuur 3.20, doorsnede 1). Het onderliggende beton dient hier getoetst te worden op stuik en vermoeiing. Dit resulteert in een bepaalde minimale afstand tussen onderkant schetsplaat en de onderliggende betonconstructie. Om de drukspanningen te kunnen weerstaan is een hoogwaardige staalvezelmortel nodig.
Belangrijk aandachtspunt is de afstand tussen de zijkant voegsponning en het randprofiel. Indien deze afstand te klein wordt, bijvoorbeeld indien de voegsponning groter is dan vooraf aangenomen en/of omdat er sprake is van randschade door het slopen, dan verplaatst de drukzone zich naar binnen en nemen de spanningen in de hele constructie toe. Hetzelfde gebeurt als staalvezelbeton kan weglekken richting de voegsponning of uitzakt. Dit dient te allen tijde voorkomen te worden. Evenals bij het nieuwbouwmodel is het dus van belang om er voor te zorgen dat het randprofiel goed ondervuld is. Verloren bekisting is daarmee dus uitgesloten volgens de RTD1007-2.
Aan de achterzijde wordt de belasting uit de schetsplaat via de staalvezelbetonbalk afgedragen naar de ingelijmde wapeningstekken, waarbij buigende momenten ontstaan in de schetsplaten en in de staalvezelbeton (figuur snede 2).
Als er onvoldoende aandacht is voor deze krachtswerking bij de detaillering van het ontwerp en de uitvoering dan ontstaat er schade, zie onderstaande figuren.
Positionering van de lijmankers
Een belangrijk aspect daarin is de positionering van de verticale stekken t.o.v de langswapening. De excentriciteit (e) van de stekken t.o.v. de langswapening dient geminimaliseerd te worden. Het probleem met een toenemende excentriciteit (e) is dat de krachten uit de langswapening niet meer goed overgedragen worden op de stekken. De stijfheid van de verbinding neemt aanzienlijk af. Dit gaat gepaard met toenemende trekspanningen in het staalvezelbeton waardoor (vermoeiings-) schade kan ontstaan. Het beperken van de excentriciteit is een zeer belangrijk aspect van het ontwerp en geldt als belangrijk aandachtspunt voor de uitvoering.

In de praktijk kan de stekwapening d.m.v. hamerboren niet altijd op de theoretische positie worden gepositioneerd. Daarnaast kan bij toepassing van staven Ø 16 lengte van de horizontale “vlaggen” ten behoeve van de benodigde verankeringslengte (10 x Ø) te lang worden waardoor de stekken niet meer haaks gepositioneerd kunnen worden. Zowel de hoek waaronder de vlaggen ten opzichte van de langswapening worden geplaatst als ook de afstand van de stek tot aan de langswapening dienen dus beperkt te blijven. In onderstaande foto’s is goed te zien dat hier in de praktijk niet altijd erg nauwkeurig mee omgegaan wordt.
Een praktische richtlijn is dat de maximale afstand tussen hart langsstaaf en hart verticale stek maximaal 2 maal de diameter van de stek mag zijn, zie figuur.

Het aanbrengen van boorgaten in verhard beton wordt doorgaans electrisch of pneumatisch uitgevoerd. Door een beperkte tolerantie in de positie van de lijmankers en de aanwezigheid van wapening in het onderliggende constructiebeton, wordt er aandacht gevraagd voor alle raakvlakken en risico’s. In de praktijk kan er veelal een locatie worden gevonden waar het lijmankers ingebracht kan worden waarbij het belangrijk is om te controleren of er wordt voldaan aan alle eisen:
- komt de wapening overeen met de constructieve uitgangspunten van het ontwerp? (posities, afstanden, diameters en lijmdiepten)
- wordt de wapening voldoende van de rand af geboord en wordt randschade voorkomen dan wel beperkt?
- is de randschade repareerbaar met de staalvezelbeton die wordt toegepast voor de randbalken of is een extra reparatie-stort met fijnere (giet-)mortel benodigd?
- is er sprake van een correcte tussenafstand van de lijmankers in relatie tot de constructieve uitgangspunten van ankers?
Het is mogelijk om lijmankers achteraf te beproeven met een zogenoemde trekproef. Dit is in sommige contracten vereist. Het uitvoeren van trekproeven heeft wel een aantal kanttekeningen waardoor Rijkswaterstaat heeft besloten om deze controle niet standaard meer te eisen in haar contracten.
Op diverse projecten is het renovatiemodel toegepast bij nieuwbouw kunstwerken Daarbij is ervaring opgedaan met voorgevormde gaten. De toepassing bij voegovergangen vindt zijn oorsprong in 2008 waar dit voor het eerst is toegepast onder toezicht van een deskundig toezichthouder. De voorgevormde gaten worden gerealiseerd door silicone instortvoorzieningen met ribbels. Na het uitharden van het beton kunnen de silicone instortvoorzieningen eenvoudig worden verwijderd. Het verlijmen van ankers is getest met trekproeven. Bij een normale verlijming konden de staven tot aan de vloeigrens worden belast. De voorgevormde gaten zijn daarmee geschikt voor toepassing. De maatvoering van de gaten vooraf in relatie tot maatvoering van de staalconstructie en de voorinstelling vragen aandacht.
Deuvelverankering i.p.v. stripankers
Er bestaan ook lichtere varianten die een economische oplossing kunnen zijn minder intensief bereden wegen met weinig vrachtverkeer. De verankering bestaat uit deuvels in plaats van schetsplaten.
Deze oplossing is voor de ontwikkeling van het renovatiemodel in de NBD00400 op diverse plaatsen toegepast in autosnelwegen maar bleek onvoldoende weerstand te kunnen bieden tegen verkeersbelasting door intensief vrachtverkeer en moesten vaak binnen 5-10 jaar weer vervangen worden.
De belasting op het randprofiel dient verticaal goed afgedragen te worden naar de ondergrond. Als het randprofiel niet goed ondersteund wordt door beton dan leidt dit tot vermoeiing van de verankering. De deuvelankers kennen in tegenstelling tot de schetsplaten bij type 1.2 een lage verticale stijfheid. Hierdoor nemen de drukspanningen in het beton onder het randprofiel aanzienlijk toe. Door trekspanningen als gevolg van geconcentreerde belasting op het randprofiel kan het beton onder het randprofiel in loop der tijd afbrokkelen/uitbreken.
De lassen tussen de deuvels en het randprofiel zijn een zwakke schakel en is sterk aan vermoeiing onderhevig. Naast volledig doorgelaste deuvels zijn er ook leveranciers geweest die de deuvels middels hoeklasjes bevestigen. Deze bleken in de praktijk snel te falen in autosnelwegen. Als gevolg van verhinderde krimp ontstaan ter plaatse van de ankers krimpscheuren die aanleiding kan zijn voor uitbreken van de voegbalk boven de ankers. De voegbalken dienen daarom boven de ankers voorzien te worden van voldoende langswapening die ter plaatse van iedere deuvel/bout verticaal verankerd is in de ondergrond. Door de compactheid van de voeg is er onvoldoende ruimte om voldoende dekking op de wapening te bewerkstelligen. De langswapening wordt niet zelden op de stekken in plaats van onder de stekken gepositioneerd, een onjuiste detaillering en verzakking van de constructie. Het toepassen van geknikte deuvels kan hiervoor een oplossing zijn.








































