Principe
Bij nieuwbouw kan een verankering worden toegepast die volledig kan worden ingestort in de onderliggende betonconstructie. Voordeel daarvan is dat geen voegbalken meer in het rijdek hoeven te worden aangebracht. Het nieuwbouwmodel dient in principe zodanig te worden ontworpen dat de verankering/onderbouw de levensduur van het kunstwerk mee kan gaan. De levensduur van de bovenbouw (het randprofiel en de eventueel daarop gefixeerde sinusplaten zal daarentegen wel eindig zijn. Deze dienen na ongeveer 40 jaar vervangen te worden. De gedachte achter het nieuwbouwmodel is dat een nieuw randprofiel op de bestaande onderbouw kan worden bevestigd, waarna de voegovergang weer een volgende levenscyclus in gaat (zie voorbeeld figuur).
Spanstaal ontwikkelde in de jaren 60 al een eerste versie van het nieuwbouwmodel met stripankers en ACME afdichtingsprofielen onder de aanduiding “AS”. Deze is in veel kunstwerken in Nederland toegepast

In Duitsland is de onderbouwconstructie een voorgeschreven standaarddetail met lusankers, het zogenaamde Übe1 detail. De bovenbouw wordt per leverancier bepaald. Zie figuur. Het nieuwbouwmodel in de NBD00400 was gebaseerd op dit Duitse standaarddetail, maar bevat geen kantopsluiting onder het randprofiel.

Aansluitingen
Toepassing in een betonnen brug vereist een deze omvangrijke uitsparing van 300-350 mm breed en 200-250 mm hoog. Er dient de nodige aandacht te zijn voor de afstemming van de wapening van de betonconstructie op de voegovergang. Zie hieronder bij specifieke aandachtspunten.
Bij toepassing in stalen bruggen is de aansluiting relatief eenvoudig. Er dient bij de keuze wel goed nagedacht te worden over vervanging van het randprofiel bij einde levensduur. Een nieuw randprofiel dient na verwijdering van het oude weer tweezijdig goed af te lassen te zijn.

Varianten
De volgende typen zijn in Nederland toegepast:
Naast deze basisvariant (concept 1.2a1) zijn er daarnaast ook geluidsarme varianten met sinusplaten ontworpen (concept 1.2a2):
In Duitsland zijn deze types voorzien van een Zulassung op basis van de zogenaamde Regelprüfung. In de bijlagen onderaan deze pagina zijn deze te downloaden.
Deze documenten geven veel informatie over deze systemen.
Krachtswerking
Ontwerptechnisch gezien is de verankering betrouwbaar te modelleren binnen de principes zoals die gelden in de betonmechanica. De krachtswerking is door bureau Hageman in opdracht van het PVO nader geanalyseerd in de vorm van een rekenvoorbeeld.
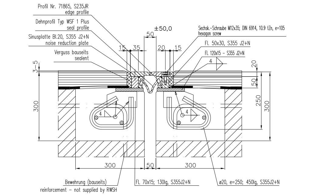
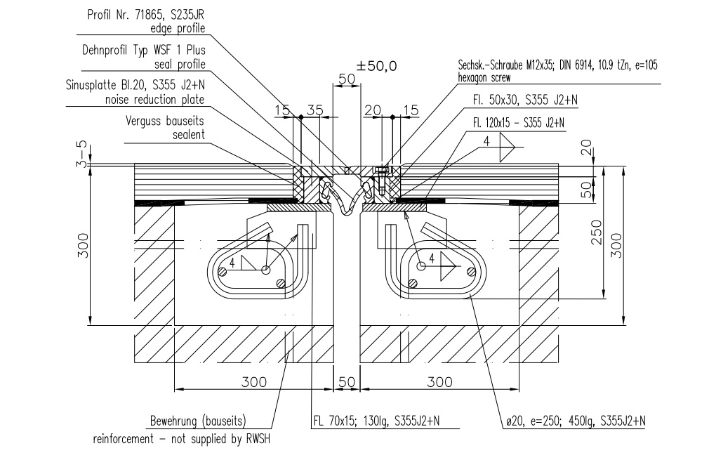
De verticale belasting wordt via het randprofiel grotendeels afgevoerd naar de aangelaste schetsplaten. Door buiging van het randprofiel wordt een kleiner deel direct overgedragen op de onderliggende beton. Uit EEM-analyses blijkt dat bij toepassing van het NBD00400 nieuwbouwmodel de drukspanningen in het beton tussen de schetsplaten en daaraan gerelateerde trekspanningen aanleiding kunnen zijn voor afbrokkeling van het beton (zie figuur). Hierdoor neemt de belasting op de schetsplaten en de lassen tussen het randprofiel en schets plaat toe. Voor zover nu bekend blijkt uit inspecties tot nu toe niet dat dit verschijnsel ook daadwerkelijk optreedt. Bij toepassing van het Duitse model met kant opsluiting wordt enerzijds het randprofiel veel stijver waardoor vrijwel geen buiging mee optreedt en de betondrukspanningen afnemen, anderzijds is het beton beter opgesloten en in staat hogere drukspanningen op te nemen. De Duitse variant is daarom zonder meer beter.

De betonvulling onder het randprofiel is dus een belangrijk aandachtspunt van de uitvoering. Indien als gevolg van uitvoeringsfouten geen kwalitatief goede betonvulling onder het randprofiel wordt gerealiseerd (luchtinsluiting, onvoldoende verdichting, nazakking van beton door lekkende bekisting), dan worden de lassen tussen het randprofiel en de schetsplaat te sterk op buiging belast, wat tot vermoeiing gaat leiden. Het toepassen van een verloren bekistingsplaat (om vooraf het afdichtingsprofiel te kunnen aanbrengen) heeft het risico in zich dat deze tijdens het storten gaat wijken. Doordat deze slechts met binddraad wordt gefixeerd. Dit blijkt vaak niet te functioneren omdat de binddraden moeilijk aan te brengen en zijn en niet allemaal goed op spanning staan. Daarnaast is het dus niet mogelijk een controle uit te voeren op het volledig ondervuld zijn van het randprofiel. Volgens de RTD1007-2 is het daarom niet toegestaan een verloren bekisting toe te passen en dient altijd na het ontkisten een inspectie plaats te vinden op een volledige vulling onder het randprofiel.
Zowel de verticale als horizontale belasting veroorzaken een moment. Dit resulteert in een trekkracht op het achterste deel van het lusanker, zie onderstaand figuur. Het grootste deel van de belasting zal zoals gezegd via de schetsplaten worden afgevoerd naar de onderliggende constructie. Aan de voorzijde ontstaat een drukboog. De krachtsoverdracht van deze trekkracht verloopt rekentechnisch via een vakwerkmodel. In het achtervlak van de voegovergang kan een horizontale “verborgen betonbalk” worden voorgesteld voorzien. Deze balk is benodigd voor het opnemen van de krachten, voor het geval de verankeringslussen in de overgangsconstructie en de lussen in de verankeringswapening niet direct aansluiten. Deze trekkracht gaat via de onderste knoop als drukkracht het beton in naar de bovenste knopen waar deze via een trekkracht in de haarspeldwapening wordt afgevoerd naar de onderliggende constructie.


Specifieke aandachtspunten
Afstemming geometrie van het lusanker op de verhardingsdikte
Van groot belang voor de krachtswerking is dus dat het aangelaste lusanker en de in de betonconstructie ingestorte verankering goed kunnen samenwerken. Dit kan alleen als de drukdiagonaal in de beton zich kan ontwikkelen. Dit vormt dus een belangrijk te beheersen raakvlakrisico. In onderstaande figuur is een praktijksituatie te zien waarbij als gevolg van onvoldoende raakvlakbeheersing deze samenwerking niet meer aanwezig is.
- Linker foto: als gevolg van een grotere dilatatie in het brugdek dan op basis van de standaardtekening werd aangenomen ontstaat in horizontale richting onvoldoende overlap
- Rechter foto: Als gevolg van een grote zeeg in het brugdek is een grotere asfaltdikte ter plaatse van de voegovergang nodig dan op de standaardtekening en ontstaat niet de benodigde overlap in verticale richting.
Indien het in de praktijk toch mis gaat, dan kan d.m.v. een wapeningkorf de krachtsafdracht weer gecorrigeerd worden, zie rechterfoto.
PVO heeft in 2016 een principedetail uitgegeven voor de toepassing van voegovergangen met lusankers. In het principedetail (geen eis, maar een handreiking) wordt informatie verstrekt over alle relevante aspecten om te beschouwen in het voegontwerp. De invloed van toleranties en zeeg worden in dit document beschreven waardoor het een goed informatief document is voor alle technici die betrokken zijn in het ontwerp en de realisatie van een viaduct of brug.
Afstemming richting en geometrie lusanker op de kruisingshoek
Daarnaast geldt dat de hoek tussen de ankerplaten en het randprofiel voor de juiste krachtswerking en berekeningen van de lassen minimaal 70 graden moet zijn, zie figuur. De haarspeldwapening in het brugdek/landhoofd en de lusankers van de voegovergangen dienen in dezelfde richting te lopen om inbouwproblemen te voorkomen.
Aansluiting asfalt
De voegovergang wordt in de regel voor het asfalteren aangebracht Omdat de voegovergang meestal voor het asfalteren wordt aangebracht is verdichting van het asfalt een belangrijk aandachtspunt. Niet goed verdicht asfalt zal afbrokkelen onder invloed van verkeer en vorst en kan ongewenste spoorvorming gaan vertonen. Ook de voegovergang en de betonconstructie worden door lekkage onopgemerkt sneller aangetast door dooizouten.
Er kan ook eerst geasfalteerd worden over een tijdelijke uitvulling van de voegsparing. Het verdient voorkeur tenminste de onderlagen die de waterdichtheid moeten waarborgen op deze wijze aan te brengen. Na het uitzagen en opbreken van de verharding ter plaatse van de voegovergang, kan de voegovergang dan worden aangebracht. Daarna hoeft alleen de deklaag nog aangebracht te worden. Indien er voor gekozen wordt ook de deklaag vooraf al aan te brengen dan kan de aansluiting tussen verharding en voegovergang uitgevoerd worden met gietasfalt.
Waarborgen waterdichtheid (achterloopsheid)
Lekkages onder het randprofiel zijn nooit helemaal uit te sluiten door uitvoeringsfouten of krimpnaden.

Voor het waarborgen van de waterdichtheid dienen de volgende maatregelen getroffen te worden:
- Voorafgaande aan het aanbrengen van de deklaag het aanbrengen van membraan op de aansluiting met het randprofiel.
- Na aanbrengen van deklaag/gietasfalt, het aanbrengen van een bitumineuze voegvulling (bv. Cariphalte) direct achter het randprofiel
























